• Доставка
  • Оплата
  • Контакты
  • Как купить
  • Шоу-рум
  • Распродажа
  • ...
    Войти
    +7 (800) 555-10-23
    Оставить заявку
    info@pulsal.ru Pic Pic Написать в MAX
    Pulsal.ru - Интернет магазин электротоваровИнтернет-магазин электротоваров
    Ваш город
    Новосибирск
    Сравнение0 Отложенные 0 Корзина0 пуста 0
    Бренды
    • Systeme Electric
    • BTicino
    • Berker
    • JUNG
    • Werkel
    • Donel
    • Maytoni
    • Аrlight
    • Merten
    • Bironi
    • Schneider Electric
    • IEK
    • Wedder
    • Jasmart
    • Daccord
    • Legrand
    • CHINT
    • Dekraft
    • Voltum
    • MEITON
    • Kranz
    • LIREGUS
    • РИДАН
    • Devi
    • Thermo
    • Welrok
    • Национальный комфорт
    • DKC
    • TOKOV ELECTRIC
    • Русский Свет
    • Теплолюкс
    • Warmstad
    • EKF
    • SberDevices
    • ABB
    • КЭАЗ
    • Gauss
    • Navigator
    • ОНЛАЙТ
    • Gira
    • Simon
    • Kollinger
    • OneKeyElectro
    • ЭРА
    • FEDE
    • Lezard
    • TDM
    • Osram-Ledvance
    • Vimar
    • Niessen
    • SPL
    • MEAN WELL
    • HEGEL
    • Rexant
    • МЕАНДР
    • WAGO
    • Neptun
    • Aqara
    • Экопласт
    Свет
    Бренды
    Systeme Electric Maytoni Аrlight IEK Dekraft Gauss Navigator ОНЛАЙТ Quest Light
    • Разделы
    • Люстры
    • Бра и настенные светильники
    • Светильники потолочные и подвесные
    • Светильники накладные (споты)
    • Светильники встраиваемые (споты)
    • Светильники ландшафтные
    •  
    • Лампы LED
    • Умные лампы
    • Лампы декоративные
    • Лампы специальные
    • Торшеры
    • Настольные лампы
    • Светильники технические
    •  
    • Магнитный шинопровод (треки)
    • Трековые светильники и шинопровод
    • Ленты светодиодные
    • Профиль алюминиевый для светодиодных лент
    • Блоки питания для светодиодных лент (драйверы)
    Выключатели и розетки
    Бренды
    Systeme Electric BTicino Berker JUNG Werkel Donel Аrlight Merten Bironi Schneider Electric IEK Wedder Jasmart Legrand CHINT Voltum MEITON Kranz LIREGUS DKC EKF ABB Gira Simon Kollinger OneKeyElectro ЭРА FEDE Lezard TDM Vimar OBO Bettermann
    • Разделы
    • Выключатели и переключатели
    • Светорегуляторы (диммеры)
    • Терморегуляторы
    • Кнопки без фиксации
    • Выключатели жалюзи
    • Умные розетки
    • Умные выключатели и диммеры
    • Умный дом
    • Выключатели с пультом
    • Выключатели поворотные
    • Выключатели со шнуром
    • Выключатели карточные
    • Выключатели электронные и реле
    • Датчики движения
    • Датчики присутствия
    •  
    • Розетки электрические
    • Розетки ТВ, радио, спутник
    • Розетки телефон-интернет
    • Розетки акустические
    • Розетки USB
    • Розетки HDMI
    • Розетки VGA, DVI, S-Video, RCA, Jack 3.5
    • Розетки для уборочной системы
    • Таймеры
    • Радио скрытого монтажа и док-станции
    • Звонки
    • Подсветка ориентационная
    • Аксессуары для розеток и выключателей
    •  
    • Рамки
    • Декоративные вставки
    • Коробки накладного монтажа
    • Заглушки
    • Кабельные выводы
    • Суппорты
    • Монтажные коробки
    • Специализированные выключатели
    • Специализированные электрические розетки
    • Специализированные розетки
    • Специализированные устройства
    • Аксессуары
    • Сигнализаторы
    Теплые полы
    Бренды
    Systeme Electric Legrand Voltum Devi Thermo Национальный комфорт Теплолюкс Warmstad Rexant Green box
    • Разделы
    • По типу:
    • Нагревательные маты
    • Нагревательные кабели
    • Терморегуляторы
    • Конвекторы
    •  
    • По назначению:
    • под плитку
    • под ламинат и паркет
    • под керамогранит
    • под ковролин
    •  
    • для подогрева труб
    • для крыш и водостоков
    • для ступеней и тротуаров
    • для подогрева почвы
    Автоматика и щиты
    Бренды
    Systeme Electric Werkel Schneider Electric IEK Legrand CHINT Dekraft DKC EKF ABB MEAN WELL
    • Разделы
    • Автоматические выключатели
    • Устройства защитного отключения
    • Дифференциальные автоматы
    • Рубильники (Выключатели нагрузки)
    • Устройства защиты от импульсных перенапряжений
    • Блоки питания AC/DC
    • Устройства защиты от дугового пробоя
    •  
    • Реле и контакторы
    • Таймеры и сумеречные выключатели
    • Устройства управления и сигнализации
    • Блоки дифференциального тока
    • Стационарные автоматические выключатели
    • Автоматические выключатели для электродвигателей
    •  
    • Шкафы и боксы
    • Аксессуары к шкафам
    Лючки
    Бренды
    Systeme Electric Donel IEK Legrand Simon SPL Экопласт
    • Разделы
    • По типу:
    • Лючки и напольные коробки
    • Выдвижные телеблоки
    •  
    • Серии:
    • DLP IP 40 - Выдвижные блоки
    • DLP IP 44 - Встраиваемые блоки
    • DLP floor - Напольные коробки
    •  
    • Connect K45 - Встраиваемые лючки
    • Connect K45 - Телеблоки
    Кабель
    Бренды
    Systeme Electric Werkel Donel Bironi Schneider Electric IEK Legrand DKC TOKOV ELECTRIC Русский Свет Rexant WAGO HDL РЭК-PRYSMIAN
    • Разделы
    • Ретро-провод
    • Кабель силовой
    • Гофротруба
    • Компьютерный кабель
    • Кабель ТВ
    •  
    • Комплекты заземления
    • Клеммы
    • Изолента и материалы для монтажа
    • Кабель KNX
    • Удлинители
    •  
    • Бесперебойные источники питания (UPS/ИБП)
    • Зарядные станции для электромобилей
    • Аксессуары для зарядных станций
    Домофоны и безопасность
    Бренды
    Werkel Schneider Electric Legrand Neptun Aqara
    • Разделы
    • Домофоны
    •  
    • Умные видеокамеры
    •  
    • Защита от протечек
    • Сигнализация
      Есть проблема?
      Pulsal.ru - Интернет магазин электротоваров
      Каталог
      • Свет
        • Люстры
        • Бра и настенные светильники
        • Светильники потолочные и подвесные
        • Светильники накладные (споты)
        • Светильники встраиваемые (споты)
        • Светильники ландшафтные
        • Лампы LED
        • Умные лампы
        • Лампы декоративные
        • Лампы специальные
        • Торшеры
        • Настольные лампы
        • Светильники технические
        • Магнитный шинопровод (треки)
        • Трековые светильники и шинопровод
        • Ленты светодиодные
        • Профиль алюминиевый для светодиодных лент
        • Блоки питания для светодиодных лент (драйверы)
      • Выключатели и розетки
        • Выключатели и переключатели
        • Светорегуляторы (диммеры)
        • Терморегуляторы
        • Кнопки без фиксации
        • Выключатели жалюзи
        • Умные розетки
        • Умные выключатели и диммеры
        • Умный дом
        • Выключатели с пультом
        • Выключатели поворотные
        • Выключатели со шнуром
        • Выключатели карточные
        • Выключатели электронные и реле
        • Датчики движения
        • Датчики присутствия
        • Розетки электрические
        • Розетки ТВ, радио, спутник
        • Розетки телефон-интернет
        • Розетки акустические
        • Розетки USB
        • Розетки HDMI
        • Розетки VGA, DVI, S-Video, RCA, Jack 3.5
        • Розетки для уборочной системы
        • Таймеры
        • Радио скрытого монтажа и док-станции
        • Звонки
        • Подсветка ориентационная
        • Аксессуары для розеток и выключателей
        • Рамки
        • Декоративные вставки
        • Коробки накладного монтажа
        • Заглушки
        • Кабельные выводы
        • Суппорты
        • Монтажные коробки
        • Специализированные выключатели
        • Специализированные электрические розетки
        • Специализированные розетки
        • Специализированные устройства
        • Аксессуары
        • Сигнализаторы
      • Теплые полы
        • По типу:
        • Нагревательные маты
        • Нагревательные кабели
        • Терморегуляторы
        • Конвекторы
        • По назначению:
        • под плитку
        • под ламинат и паркет
        • под керамогранит
        • под ковролин
        • для подогрева труб
        • для крыш и водостоков
        • для ступеней и тротуаров
        • для подогрева почвы
      • Автоматика и щиты
        • Автоматические выключатели
        • Устройства защитного отключения
        • Дифференциальные автоматы
        • Рубильники (Выключатели нагрузки)
        • Устройства защиты от импульсных перенапряжений
        • Блоки питания AC/DC
        • Устройства защиты от дугового пробоя
        • Реле и контакторы
        • Таймеры и сумеречные выключатели
        • Устройства управления и сигнализации
        • Блоки дифференциального тока
        • Стационарные автоматические выключатели
        • Автоматические выключатели для электродвигателей
        • Шкафы и боксы
        • Аксессуары к шкафам
      • Лючки
        • По типу:
        • Лючки и напольные коробки
        • Выдвижные телеблоки
        • Серии:
        • DLP IP 40 - Выдвижные блоки
        • DLP IP 44 - Встраиваемые блоки
        • DLP floor - Напольные коробки
        • Connect K45 - Встраиваемые лючки
        • Connect K45 - Телеблоки
      • Кабель
        • Ретро-провод
        • Кабель силовой
        • Гофротруба
        • Компьютерный кабель
        • Кабель ТВ
        • Комплекты заземления
        • Клеммы
        • Изолента и материалы для монтажа
        • Кабель KNX
        • Удлинители
        • Бесперебойные источники питания (UPS/ИБП)
        • Зарядные станции для электромобилей
        • Аксессуары для зарядных станций
      • Домофоны и безопасность
        • Домофоны
        • Умные видеокамеры
        • Защита от протечек
        • Сигнализация
      Бренды
      Как купить
      • Условия оплаты
      • Условия доставки
      • Гарантия на товар
      Контакты
      О нас
      Ещё
        +7 (800) 555-10-23
        info@pulsal.ru
        Оставить заявку
        Pic Pic Написать в MAX
        Сравнение0 Отложенные 0 Корзина0 0
        Pulsal.ru - Интернет магазин электротоваровИнтернет-магазин электротоваров
        Сравнение0 Отложенные 0 Корзина0 0
        Обратная связь
        +7 (800) 555-10-23
        Заказать звонок
        • Новосибирск
          • Назад
          • Города
          • Санкт-Петербург
          • Екатеринбург
          • Казань
          • Краснодар
          • Красноярск
          • Москва
          • Новосибирск
          • Омск
          • Абаза
          • Абакан
          • Абдулино
          • Абинск
          • Агидель
          • Агрыз
          • Адыгейск
          • Азнакаево
          • Азов
          • Ак-Довурак
          • Аксай
          • Алагир
          • Алапаевск
          • Алатырь
          • Алдан
          • Алейск
          • Александров
          • Александровск
          • Александровск-Сахалинский
          • Алексеевка
          • Алексин
          • Алзамай
          • Альметьевск
          • Амурск
          • Анадырь
          • Анапа
          • Ангарск
          • Андреаполь
          • Анжеро-Судженск
          • Анива
          • Апатиты
          • Апрелевка
          • Апшеронск
          • Аргун
          • Ардатов
          • Ардон
          • Арзамас
          • Аркадак
          • Армавир
          • Арсеньев
          • Арск
          • Артём
          • Артёмовск
          • Артёмовский
          • Архангельск
          • Асбест
          • Асино
          • Астрахань
          • Аткарск
          • Ахтубинск
          • Ачинск
          • Аша
          • Бабаево
          • Бабушкин
          • Бавлы
          • Багратионовск
          • Байкальск
          • Баймак
          • Бакал
          • Баксан
          • Балабаново
          • Балаково
          • Балахна
          • Балашиха
          • Балашов
          • Балей
          • Балтийск
          • Барабинск
          • Барнаул
          • Барыш
          • Батайск
          • Бахчисарай
          • Бежецк
          • Белая Калитва
          • Белая Холуница
          • Белгород
          • Белебей
          • Белёв
          • Белинский
          • Белово
          • Белогорск
          • Белозерск
          • Белокуриха
          • Беломорск
          • Белорецк
          • Белореченск
          • Белоусово
          • Белоярский
          • Белый
          • Бердск
          • Березники
          • Берёзовский
          • Берёзовский
          • Беслан
          • Бийск
          • Бикин
          • Билибино
          • Биробиджан
          • Бирск
          • Бирюсинск
          • Бирюч
          • Благовещенск
          • Благовещенск
          • Благодарный
          • Бобров
          • Богданович
          • Богородицк
          • Богородск
          • Боготол
          • Богучар
          • Бокситогорск
          • Болгар
          • Бологое
          • Болотное
          • Болохово
          • Болхов
          • Большой Камень
          • Бор
          • Борзя
          • Борисоглебск
          • Боровичи
          • Боровск
          • Бородино
          • Братск
          • Бронницы
          • Брянск
          • Бугульма
          • Бугуруслан
          • Будённовск
          • Бузулук
          • Буинск
          • Буй
          • Буйнакск
          • Бутурлиновка
          • Валдай
          • Валуйки
          • Велиж
          • Великие Луки
          • Великий Новгород
          • Великий Устюг
          • Вельск
          • Венёв
          • Верещагино
          • Верея
          • Верхнеуральск
          • Верхний Тагил
          • Верхний Уфалей
          • Верхняя Пышма
          • Верхняя Салда
          • Верхняя Тура
          • Верхотурье
          • Верхоянск
          • Весьегонск
          • Ветлуга
          • Видное
          • Вилюйск
          • Вилючинск
          • Вихоревка
          • Вичуга
          • Владивосток
          • Владикавказ
          • Владимир
          • Волгоград
          • Волгодонск
          • Волгореченск
          • Волжск
          • Волжский
          • Вологда
          • Володарск
          • Волоколамск
          • Волосово
          • Волхов
          • Волчанск
          • Вольск
          • Воркута
          • Воронеж
          • Ворсма
          • Воскресенск
          • Воткинск
          • Всеволожск
          • Вуктыл
          • Выборг
          • Выкса
          • Высоковск
          • Высоцк
          • Вытегра
          • Вышний Волочёк
          • Вяземский
          • Вязники
          • Вязьма
          • Вятские Поляны
          • Гаврилов Посад
          • Гаврилов-Ям
          • Гаджиево
          • Галич
          • Гатчина
          • Гвардейск
          • Гдов
          • Геленджик
          • Георгиевск
          • Глазов
          • Голицыно
          • Горбатов
          • Горно-Алтайск
          • Горнозаводск
          • Горняк
          • Городец
          • Городище
          • Городовиковск
          • Гороховец
          • Горячий Ключ
          • Грайворон
          • Гремячинск
          • Грозный
          • Грязи
          • Грязовец
          • Губаха
          • Губкин
          • Губкинский
          • Гудермес
          • Гуково
          • Гулькевичи
          • Гурьевск
          • Гурьевск
          • Гусев
          • Гусиноозёрск
          • Гусь-Хрустальный
          • Давлеканово
          • Дагестанские Огни
          • Далматово
          • Дальнегорск
          • Дальнереченск
          • Данилов
          • Данков
          • Дегтярск
          • Дедовск
          • Демидов
          • Дербент
          • Десногорск
          • Дзержинск
          • Дзержинский
          • Дивногорск
          • Дигора
          • Димитровград
          • Дмитриев
          • Дмитров
          • Дмитровск
          • Дно
          • Добрянка
          • Долгопрудный
          • Долинск
          • Донецк
          • Донской
          • Дорогобуж
          • Дрезна
          • Дубна
          • Дубовка
          • Дудинка
          • Духовщина
          • Дюртюли
          • Егорьевск
          • Ейск
          • Елабуга
          • Елец
          • Елизово
          • Ельня
          • Еманжелинск
          • Емва
          • Енисейск
          • Ермолино
          • Ершов
          • Ессентуки
          • Железноводск
          • Железногорск
          • Железногорск
          • Железногорск-Илимский
          • Жердевка
          • Жигулёвск
          • Жиздра
          • Жирновск
          • Жуков
          • Жуковка
          • Жуковский
          • Завитинск
          • Заводоуковск
          • Заволжск
          • Заволжье
          • Задонск
          • Заинск
          • Закаменск
          • Заозёрный
          • Заозёрск
          • Западная Двина
          • Заполярный
          • Зарайск
          • Заречный
          • Заречный
          • Заринск
          • Звенигово
          • Звенигород
          • Зверево
          • Зеленогорск
          • Зеленоградск
          • Зеленодольск
          • Зеленокумск
          • Зерноград
          • Зея
          • Зима
          • Златоуст
          • Злынка
          • Змеиногорск
          • Знаменск
          • Зубцов
          • Зуевка
          • Ивангород
          • Иваново
          • Ивантеевка
          • Ивдель
          • Игарка
          • Ижевск
          • Избербаш
          • Изобильный
          • Иланский
          • Инза
          • Иннополис
          • Инсар
          • Инта
          • Ипатово
          • Ирбит
          • Иркутск
          • Исилькуль
          • Искитим
          • Истра
          • Ишим
          • Ишимбай
          • Йошкар-Ола
          • Кадников
          • Калач
          • Калач-на-Дону
          • Калачинск
          • Калининград
          • Калининск
          • Калтан
          • Калуга
          • Калязин
          • Камбарка
          • Каменка
          • Каменногорск
          • Каменск-Уральский
          • Каменск-Шахтинский
          • Камень-на-Оби
          • Камешково
          • Камызяк
          • Камышин
          • Камышлов
          • Канаш
          • Кандалакша
          • Канск
          • Карабаново
          • Карабаш
          • Карабулак
          • Карасук
          • Карачаевск
          • Карачев
          • Каргат
          • Каргополь
          • Карпинск
          • Карталы
          • Касимов
          • Касли
          • Каспийск
          • Катав-Ивановск
          • Катайск
          • Качканар
          • Кашин
          • Кашира
          • Кедровый
          • Кемерово
          • Кемь
          • Керчь
          • Кизел
          • Кизилюрт
          • Кизляр
          • Кимовск
          • Кимры
          • Кингисепп
          • Кинель
          • Кинешма
          • Киреевск
          • Киренск
          • Киржач
          • Кириллов
          • Кириши
          • Киров
          • Киров
          • Кировград
          • Кирово-Чепецк
          • Кировск
          • Кировск
          • Кирс
          • Кирсанов
          • Киселёвск
          • Кисловодск
          • Клин
          • Клинцы
          • Княгинино
          • Ковдор
          • Ковылкино
          • Когалым
          • Кодинск
          • Козельск
          • Козловка
          • Козьмодемьянск
          • Кола
          • Кологрив
          • Коломна
          • Колпашево
          • Кольчугино
          • Коммунар
          • Комсомольск
          • Комсомольск-на-Амуре
          • Конаково
          • Кондопога
          • Кондрово
          • Константиновск
          • Копейск
          • Кораблино
          • Кореновск
          • Коркино
          • Королёв
          • Короча
          • Корсаков
          • Коряжма
          • Костерёво
          • Костомукша
          • Кострома
          • Котельники
          • Котельниково
          • Котельнич
          • Котлас
          • Котово
          • Котовск
          • Кохма
          • Красавино
          • Красноармейск
          • Красноармейск
          • Красновишерск
          • Красногорск
          • Краснозаводск
          • Краснознаменск
          • Краснознаменск
          • Краснокаменск
          • Краснокамск
          • Краснослободск
          • Краснослободск
          • Краснотурьинск
          • Красноуральск
          • Красноуфимск
          • КрасныйКут
          • КрасныйСулин
          • КрасныйХолм
          • Кремёнки
          • Кропоткин
          • Крымск
          • Кстово
          • Кубинка
          • Кувандык
          • Кувшиново
          • Кудрово
          • Кудымкар
          • Кузнецк
          • Куйбышев
          • Кукмор
          • Кулебаки
          • Кумертау
          • Кунгур
          • Купино
          • Курган
          • Курганинск
          • Курильск
          • Курлово
          • Куровское
          • Курск
          • Куртамыш
          • Курчалой
          • Курчатов
          • Куса
          • Кушва
          • Кызыл
          • Кыштым
          • Кяхта
          • Лабинск
          • Лабытнанги
          • Лагань
          • Ладушкин
          • Лаишево
          • Лакинск
          • Лангепас
          • Лахденпохья
          • Лебедянь
          • Лениногорск
          • Ленинск
          • Ленинск-Кузнецкий
          • Ленск
          • Лермонтов
          • Лесозаводск
          • Лесосибирск
          • Ливны
          • Ликино-Дулёво
          • Липецк
          • Липки
          • Лиски
          • Лихославль
          • Лобня
          • ЛодейноеПоле
          • Лосино-Петровский
          • Луга
          • Луза
          • Лукоянов
          • Луховицы
          • Лысково
          • Лысьва
          • Лыткарино
          • Льгов
          • Любань
          • Люберцы
          • Любим
          • Людиново
          • Лянтор
          • Магадан
          • Магас
          • Магнитогорск
          • Майкоп
          • Майский
          • Макаров
          • Макарьев
          • Макушино
          • МалаяВишера
          • Малгобек
          • Малмыж
          • Малоархангельск
          • Малоярославец
          • Мамадыш
          • Мамоново
          • Мантурово
          • Мариинск
          • МариинскийПосад
          • Маркс
          • Махачкала
          • Мглин
          • Мегион
          • Медвежьегорск
          • Медногорск
          • Медынь
          • Межгорье
          • Междуреченск
          • Мезень
          • Меленки
          • Мелеуз
          • Менделеевск
          • Мензелинск
          • Мещовск
          • Миасс
          • Микунь
          • Миллерово
          • МинеральныеВоды
          • Минусинск
          • Миньяр
          • Мирный
          • Мирный
          • Михайлов
          • Михайловка
          • Михайловск
          • Михайловск
          • Мичуринск
          • Могоча
          • Можайск
          • Можга
          • Моздок
          • Мончегорск
          • Морозовск
          • Моршанск
          • Мосальск
          • Муравленко
          • Мураши
          • Мурманск
          • Муром
          • Мценск
          • Мыски
          • Мытищи
          • Мышкин
          • НабережныеЧелны
          • Навашино
          • Наволоки
          • Надым
          • Назарово
          • Назрань
          • Называевск
          • Нальчик
          • Нариманов
          • Наро-Фоминск
          • Нарткала
          • Нарьян-Мар
          • Находка
          • Невель
          • Невельск
          • Невинномысск
          • Невьянск
          • Нелидово
          • Неман
          • Нерехта
          • Нерчинск
          • Нерюнгри
          • Нестеров
          • Нефтегорск
          • Нефтекамск
          • Нефтекумск
          • Нефтеюганск
          • Нея
          • Нижневартовск
          • Нижнекамск
          • Нижнеудинск
          • НижниеСерги
          • Нижний Ломов
          • Нижний Новгород
          • Нижний Тагил
          • НижняяСалда
          • НижняяТура
          • Николаевск
          • Николаевск-на-Амуре
          • Никольск
          • Никольск
          • Никольское
          • НоваяЛадога
          • НоваяЛяля
          • Новоалександровск
          • Новоалтайск
          • Новоаннинский
          • Нововоронеж
          • Новодвинск
          • Новозыбков
          • Новокубанск
          • Новокузнецк
          • Новокуйбышевск
          • Новомичуринск
          • Новомосковск
          • Новопавловск
          • Новоржев
          • Новороссийск
          • Новосиль
          • Новосокольники
          • Новотроицк
          • Новоузенск
          • Новоульяновск
          • Новоуральск
          • Новохопёрск
          • Новочебоксарск
          • Новочеркасск
          • Новошахтинск
          • НовыйОскол
          • НовыйУренгой
          • Ногинск
          • Нолинск
          • Норильск
          • Ноябрьск
          • Нурлат
          • Нытва
          • Нюрба
          • Нягань
          • Нязепетровск
          • Няндома
          • Облучье
          • Обнинск
          • Обоянь
          • Обь
          • Одинцово
          • Озёрск
          • Озёрск
          • Озёры
          • Октябрьск
          • Октябрьский
          • Окуловка
          • Олёкминск
          • Оленегорск
          • Олонец
          • Омутнинск
          • Онега
          • Опочка
          • Орёл
          • Оренбург
          • Орехово-Зуево
          • Орск
          • Оса
          • Осинники
          • Осташков
          • Остров
          • Островной
          • Острогожск
          • Отрадное
          • Отрадный
          • Оха
          • Оханск
          • Очёр
          • Павлово
          • Павловск
          • ПавловскийПосад
          • Палласовка
          • Партизанск
          • Певек
          • Пенза
          • Первомайск
          • Первоуральск
          • Перевоз
          • Переславль-Залесский
          • Пермь
          • Пестово
          • ПетровВал
          • Петровск
          • Петровск-Забайкальский
          • Петрозаводск
          • Петропавловск-Камчатский
          • Петухово
          • Петушки
          • Печора
          • Печоры
          • Пикалёво
          • Пионерский
          • Питкяранта
          • Плавск
          • Плёс
          • Поворино
          • Подольск
          • Подпорожье
          • Покачи
          • Покров
          • Покровск
          • Полевской
          • Полесск
          • Полысаево
          • ПолярныеЗори
          • Полярный
          • Поронайск
          • Порхов
          • Похвистнево
          • Почеп
          • Починок
          • Пошехонье
          • Правдинск
          • Приволжск
          • Приморск
          • Приморск
          • Приморско-Ахтарск
          • Приозерск
          • Прокопьевск
          • Пролетарск
          • Протвино
          • Прохладный
          • Псков
          • Пугачёв
          • Пудож
          • Пустошка
          • Пучеж
          • Пушкино
          • Пущино
          • Пыталово
          • Пыть-Ях
          • Пятигорск
          • Радужный
          • Радужный
          • Райчихинск
          • Раменское
          • Рассказово
          • Ревда
          • Реж
          • Реутов
          • Ржев
          • Родники
          • Рославль
          • Россошь
          • Ростов
          • Ростов-на-Дону
          • Рошаль
          • Ртищево
          • Рубцовск
          • Рудня
          • Руза
          • Рузаевка
          • Рыбинск
          • Рыбное
          • Рыльск
          • Ряжск
          • Рязань
          • Салават
          • Салаир
          • Салехард
          • Сальск
          • Самара
          • Саранск
          • Сарапул
          • Саратов
          • Саров
          • Сасово
          • Сатка
          • Сафоново
          • Саяногорск
          • Саянск
          • Светлогорск
          • Светлоград
          • Светлый
          • Светогорск
          • Свирск
          • Свободный
          • Себеж
          • Северо-Курильск
          • Северобайкальск
          • Северодвинск
          • Североморск
          • Североуральск
          • Северск
          • Севск
          • Сегежа
          • Сельцо
          • Семёнов
          • Семикаракорск
          • Семилуки
          • Сенгилей
          • Серафимович
          • Сергач
          • СергиевПосад
          • Сердобск
          • Серпухов
          • Сертолово
          • Сибай
          • Сим
          • Сковородино
          • Скопин
          • Славгород
          • Славск
          • Славянск-на-Кубани
          • Сланцы
          • Слободской
          • Слюдянка
          • Смоленск
          • Снежинск
          • Снежногорск
          • Собинка
          • Советск
          • Советск
          • Советск
          • СоветскаяГавань
          • Сокол
          • Солигалич
          • Соликамск
          • Солнечногорск
          • Соль-Илецк
          • Сольвычегодск
          • Сольцы
          • Сорочинск
          • Сорск
          • Сортавала
          • Сосенский
          • Сосновка
          • Сосновоборск
          • СосновыйБор
          • Сосногорск
          • Сочи
          • Спас-Деменск
          • Спас-Клепики
          • Спасск
          • Спасск-Дальний
          • Спасск-Рязанский
          • Среднеколымск
          • Среднеуральск
          • Сретенск
          • Ставрополь
          • СтараяКупавна
          • СтараяРусса
          • Старица
          • Стародуб
          • СтарыйКрымОспаривается
          • СтарыйОскол
          • Стерлитамак
          • Стрежевой
          • Струнино
          • Ступино
          • Суворов
          • Суджа
          • Судогда
          • Суздаль
          • Сунжа
          • Суоярви
          • Сураж
          • Сургут
          • Суровикино
          • Сурск
          • Сусуман
          • Сухиничи
          • СухойЛог
          • Сызрань
          • Сыктывкар
          • Сысерть
          • Сычёвка
          • Сясьстрой
          • Тавда
          • Таганрог
          • Тайга
          • Тайшет
          • Талдом
          • Талица
          • Тамбов
          • Тарко-Сале
          • Таруса
          • Татарск
          • Таштагол
          • Тверь
          • Теберда
          • Тейково
          • Темников
          • Темрюк
          • Терек
          • Тетюши
          • Тимашёвск
          • Тихвин
          • Тихорецк
          • Тобольск
          • Тогучин
          • Тольятти
          • Томари
          • Томмот
          • Томск
          • Топки
          • Торжок
          • Торопец
          • Тосно
          • Тотьма
          • Трёхгорный
          • Троицк
          • Трубчевск
          • Туапсе
          • Туймазы
          • Тула
          • Туран
          • Туринск
          • Тутаев
          • Тында
          • Тырныауз
          • Тюкалинск
          • Тюмень
          • Уварово
          • Углегорск
          • Углич
          • Удачный
          • Удомля
          • Ужур
          • Узловая
          • Улан-Удэ
          • Ульяновск
          • Унеча
          • Урай
          • Урень
          • Уржум
          • Урус-Мартан
          • Урюпинск
          • Усинск
          • Усмань
          • Усолье
          • Усолье-Сибирское
          • Уссурийск
          • Усть-Джегута
          • Усть-Илимск
          • Усть-Катав
          • Усть-Кут
          • Усть-Лабинск
          • Устюжна
          • Уфа
          • Ухта
          • Учалы
          • Уяр
          • Фатеж
          • Фокино
          • Фокино
          • Фролово
          • Фрязино
          • Фурманов
          • Хабаровск
          • Хадыженск
          • Ханты-Мансийск
          • Харабали
          • Харовск
          • Хасавюрт
          • Хвалынск
          • Хилок
          • Химки
          • Холм
          • Холмск
          • Хотьково
          • Цивильск
          • Цимлянск
          • Чадан
          • Чайковский
          • Чапаевск
          • Чаплыгин
          • Чебаркуль
          • Чебоксары
          • Чегем
          • Чекалин
          • Челябинск
          • Чердынь
          • Черемхово
          • Черепаново
          • Череповец
          • Черкесск
          • Чёрмоз
          • Черноголовка
          • Черногорск
          • Чернушка
          • Черняховск
          • Чехов
          • Чистополь
          • Чита
          • Чкаловск
          • Чудово
          • Чулым
          • Чусовой
          • Чухлома
          • Шагонар
          • Шадринск
          • Шали
          • Шарыпово
          • Шарья
          • Шахты
          • Шахунья
          • Шацк
          • Шебекино
          • Шелехов
          • Шенкурск
          • Шимановск
          • Шиханы
          • Шлиссельбург
          • Шумерля
          • Шумиха
          • Шуя
          • Щёкино
          • ЩёлкиноОспаривается
          • Щёлково
          • Щигры
          • Щучье
          • Электрогорск
          • Электросталь
          • Электроугли
          • Элиста
          • Энгельс
          • Эртиль
          • Югорск
          • Южа
          • Южно-Сахалинск
          • Южно-Сухокумск
          • Южноуральск
          • Юрга
          • Юрьев-Польский
          • Юрьевец
          • Юрюзань
          • Юхнов
          • Ядрин
          • Якутск
          • Ялуторовск
          • Янаул
          • Яранск
          • Яровое
          • Ярославль
          • Ярцево
          • Ясногорск
          • Ясный
          • Яхрома
        • Личный кабинет
        • Главная
        • Каталог
          • Назад
          • Каталог
          • Выключатели и розетки
            • Назад
            • Выключатели и розетки
            • Выключатели и переключатели
            • Светорегуляторы (диммеры)
            • Кнопки без фиксации
            • Выключатели жалюзи
            • Выключатели с пультом
            • Выключатели поворотные
            • Выключатели со шнуром
            • Выключатели карточные
            • Выключатели электронные и реле
            • Датчики движения
            • Датчики присутствия
            • Сигнализаторы
            • Таймеры
            • Розетки электрические
            • Розетки ТВ, радио, спутник
            • Розетки телефон-интернет
            • Розетки акустические
            • Розетки USB
            • Розетки HDMI
            • Розетки VGA, DVI, S-Video, RCA, Jack 3.5
            • Розетки для уборочной системы
            • Радио скрытого монтажа и док-станции
            • Звонки
            • Подсветка ориентационная
            • Аксессуары для розеток и выключателей
            • Аксессуары
            • Рамки
            • Декоративные вставки
            • Коробки накладного монтажа
            • Заглушки
            • Кабельные выводы
            • Суппорты
            • Монтажные коробки
            • Специализированные выключатели
            • Специализированные электрические розетки
            • Специализированные розетки
            • Специализированные устройства
            • Терморегуляторы
            • Умные розетки
            • Умные выключатели и диммеры
            • Умный дом
          • Теплые полы
            • Назад
            • Теплые полы
            • Нагревательные маты
            • Нагревательные кабели
            • Терморегуляторы
            • под плитку
            • под ламинат и паркет
            • под керамогранит
            • под ковролин
            • для подогрева труб
            • для крыш и водостоков
            • для ступеней и тротуаров
            • для подогрева почвы
            • Конвекторы
          • Лючки
            • Назад
            • Лючки
            • Лючки и напольные коробки
            • DLP IP 40 - Выдвижные блоки
            • DLP IP 44 - Встраиваемые блоки
            • DLP floor - Напольные коробки
            • Connect K45 - Встраиваемые лючки
            • Connect K45 - Телеблоки
            • Выдвижные телеблоки
          • Автоматика и щиты
            • Назад
            • Автоматика и щиты
            • Шкафы и боксы
            • Аксессуары к шкафам
            • Автоматические выключатели
            • Устройства защитного отключения
            • Дифференциальные автоматы
            • Рубильники (Выключатели нагрузки)
            • Устройства защиты от импульсных перенапряжений
            • Блоки дифференциального тока
            • Автоматические выключатели для электродвигателей
            • Реле и контакторы
            • Стационарные автоматические выключатели
            • Устройства управления и сигнализации
            • Устройства защиты от дугового пробоя
            • Блоки питания AC/DC
            • Таймеры и сумеречные выключатели
          • Домофоны и безопасность
            • Назад
            • Домофоны и безопасность
            • Сигнализация
            • Умные видеокамеры
            • Домофоны
            • Защита от протечек
          • Кабель
            • Назад
            • Кабель
            • Ретро-провод
            • Удлинители
            • Бесперебойные источники питания (UPS/ИБП)
            • Клеммы
            • Компьютерный кабель
            • Кабель ТВ
            • Кабель силовой
            • Гофротруба
            • Изолента и материалы для монтажа
            • Кабель KNX
            • Зарядные станции для электромобилей
            • Аксессуары для зарядных станций
            • Комплекты заземления
          • Свет
            • Назад
            • Свет
            • Лампы LED
            • Лампы декоративные
            • Лампы специальные
            • Светильники встраиваемые (споты)
            • Светильники накладные (споты)
            • Светильники потолочные и подвесные
            • Ленты светодиодные
            • Светильники ландшафтные
            • Трековые светильники и шинопровод
            • Магнитный шинопровод (треки)
            • Профиль алюминиевый для светодиодных лент
            • Блоки питания для светодиодных лент (драйверы)
            • Умные лампы
            • Светильники технические
            • Люстры
            • Торшеры
            • Настольные лампы
            • Бра и настенные светильники
        • Бренды
          • Назад
          • Бренды
          • Systeme Electric
          • BTicino
          • Berker
          • JUNG
          • Werkel
          • Donel
          • Maytoni
          • Аrlight
          • Merten
          • Bironi
          • Schneider Electric
          • IEK
          • Wedder
          • Jasmart
          • Daccord
          • Legrand
          • CHINT
          • Dekraft
          • Voltum
          • MEITON
          • Kranz
          • LIREGUS
          • РИДАН
          • Devi
          • Thermo
          • Welrok
          • Национальный комфорт
          • DKC
          • TOKOV ELECTRIC
          • Русский Свет
          • Теплолюкс
          • Warmstad
          • EKF
          • SberDevices
          • ABB
          • КЭАЗ
          • Gauss
          • Navigator
          • ОНЛАЙТ
          • Gira
          • Simon
          • Kollinger
          • OneKeyElectro
          • ЭРА
          • FEDE
          • Lezard
          • TDM
          • Osram-Ledvance
          • Vimar
          • Niessen
          • SPL
          • MEAN WELL
          • HEGEL
          • Rexant
          • МЕАНДР
          • WAGO
          • Neptun
          • Aqara
          • Экопласт
        • Как купить
          • Назад
          • Как купить
          • Условия оплаты
          • Условия доставки
          • Гарантия на товар
        • Контакты
        • О нас
        • Корзина0
        • Отложенные0
        • Сравнение товаров0
        • +7 (800) 555-10-23
        Будьте на связи
        Санкт-Петербург, ул. Глухая Зеленина, д. 2 (Вход с ул. Малая Зеленина!), м. Чкаловская
        info@pulsal.ru

        лампы с управляемым ЭПРА (управл.сигнал 1-10В DC)

        Главная
        -
        Статьи
        -
        Виды диммеров

        лампы с управляемым ЭПРА (управл.сигнал 1-10В DC)

        Лампы с управляемым ЭПРА

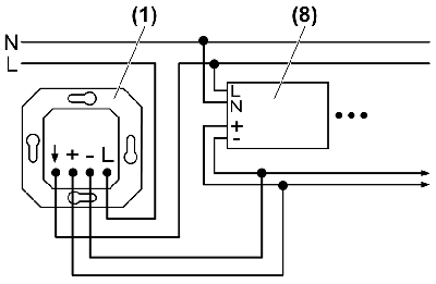
        Электроонный пускорегулийрующий аппарат (ЭПРА) - электронное устройство, осуществляющее пуск и поддержание рабочего режима газоразрядных осветительных ламп.

        Существуют регулируемые ЭПРА с интерфейсом 1-10В DC. С помощью таких ЭПРА можно регулировать газоразрядные лампы в диапазоне от 1% до 100% через интерфейс 1...10 В



        Пример схемы подключения электронного потенциометра 1 - 10В

        1 - потенциометр

        8 - управляемый ЭПРА

        Товары

        • Светорегуляторы (диммеры) лампы с управляемым ЭПРА (управл.сигнал 1-10В DC) Светорегуляторы (диммеры)
        Нет времени оформить заказ на сайте?
        Оставьте заявку, прикрепив список товаров, наши менеджеры составят заказ за вас!
        Оставить заявку

        Производители

        Все бренды
        Systeme Electric
        BTicino
        Berker
        JUNG
        Werkel
        Donel
        Maytoni
        Аrlight
        Merten
        Bironi
        Schneider Electric
        IEK
        О магазине
        Обратная связь
        Контакты
        Сервисы
        Как сделать заказ
        Гарантия на товар
        Условия доставки
        Способы оплаты
        Оплата в кредит
        Карта сайта
        Статьи
        Производители
        Серии производителей
        Техническая информация
        Введите номер заказа:
        Оплатить
        Наши контакты
        +7 (800) 555-10-23
        info@pulsal.ru
        Санкт-Петербург, ул. Глухая Зеленина, д. 2 (Вход с ул. Малая Зеленина!), м. Чкаловская
        2011-2026 © Pulsal.ru Интернет-магазин электротоваров
        Разрешается использовать любые материалы проекта Pulsal.ru в сети Интернет 
        при условии установки прямой ссылки на этот конкретный материал.
        Политика конфиденциальности
        Яндекс.Метрика
        Продолжая просмотр, вы даете согласие на обработку файлов cookies